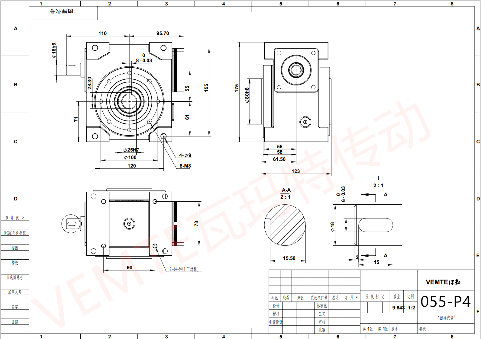
jdlb055高精度雙導程蝸輪蝸桿減速機JDLB055
雙導程蝸輪蝸桿減速機是一種高精度、高轉矩、高剛性的減速裝置,其性能特點如下:
高精度:雙導程蝸輪蝸桿減速機采用高品質的蝸輪、蝸桿,以及精密加工工藝,能夠實現高精度的傳動,誤差小,可滿足高精度傳動需求。
高轉矩:雙導程蝸輪蝸桿減速機采用大模數蝸桿、雙列滾針軸承、偏心軸等設計,具有較高的承載能力和抗疲勞性能,可實現高轉矩傳動。
高剛性:雙導程蝸輪蝸桿減速機采用優(yōu)質材料和熱處理工藝,能夠提高蝸輪、蝸桿的強度和韌性,同時采用大模數蝸桿、雙列滾針軸承、偏心軸等設計,可提高傳動系統的剛性和穩(wěn)定性。
適應性強:雙導程蝸輪蝸桿減速機可適應不同的工作條件和環(huán)境,如溫度、濕度、振動等,具有較高的適應性和可靠性。
維護方便:雙導程蝸輪蝸桿減速機采用標準化的設計,結構簡單,易于維護和保養(yǎng),能夠減少維護成本和停機時間。
具體型號對應的尺寸圖紙以及參數請聯系客服

